"Softstart" via Elko / Platzproblem / Wo hin löten?

Bei reichelt findeste die passenden Typen nicht, musste bei Conrad suchen. Er sollte sicher nicht größer sein als der Nennwiderstand deiner Lampe, weil eine Begrenzung des Einschaltstromes auf den Nennstrom reicht. wenn er aber deutlich kleiner ist, ist er wieder wirkungslos.
 
hab dazu ne frage:
soweit ich weiß sinkt der widerstand mit steigender temperatur, bekommt man dann nicht irgendwie schwierigkeiten, wenn man im sommer bei 20° fährt und dann im winter bei minusgraden und fahrtwind, oder ist das zu vernachlässigen?
 
da_hyrr schrieb:
Nein.
Wenn es überhaupt funktioniert, ist das kein Problem. Hauptsache der Elko ist zwischen schalter und Lampe und nicht zwischen Lampe und Akku. möglichst nah an die Lampe ist gut, weil das den Kabelwiderstand bis zum Elko erhöht.

@Kaffeemann
Das ergibt aber eine Zeitkonstante von 0,47ms, nach der der Elko auf 63% der Akkuspannung aufgeladen ist. Das halte ich für zu kurz für einen sinnvollen Softstart.

******** wie war noch die Formel ?:confused:
 
da_hyrr schrieb:
Bei reichelt findeste die passenden Typen nicht, musste bei Conrad suchen. Er sollte sicher nicht größer sein als der Nennwiderstand deiner Lampe, weil eine Begrenzung des Einschaltstromes auf den Nennstrom reicht. wenn er aber deutlich kleiner ist, ist er wieder wirkungslos.

Hab' ja zwei Widerstände im Angebot:

Widerstand bei Ladeschlussspannung: 7,2 Volt / 0,85 A = 8,5 Ohm oder

Widerstand aus den technischen Daten des Leuchtmittels: 5,2 Volt / 0,85 A = 6,1 Ohm

Was ist korrekt?

Wie genau muss ich den Wert treffen? Taugt das aufs Ohm genau?
 
Hallo Pinguin,

vielleicht hilft dir was bausatzmäßiges weiter:

ELV-Bausatz Nr.: 60-618-84 heißt Einschaltstrombegrenzung. Kostet 4,50 Euros. Falls du bei einer Bibliothek in alte ELV-Magazine Einsicht halten kannst, der dazugehörige Artikel war im Heft 01/2005.

Gruß

Jürgen
 
pinguin schrieb:
Hab' ja zwei Widerstände im Angebot:

Widerstand bei Ladeschlussspannung: 7,2 Volt / 0,85 A = 8,5 Ohm oder

Widerstand aus den technischen Daten des Leuchtmittels: 5,2 Volt / 0,85 A = 6,1 Ohm

Was ist korrekt?

Wie genau muss ich den Wert treffen? Taugt das aufs Ohm genau?

Die Werte bei Conrad sind alle Mist der Kaltwiederstand deiner Lampe liegt zudem unter 1 Ohm versuchs am besten damit :http://www.pollin.de/shop/tabelle.php?ts=0&pg=OA==&a=NDM5OTA5OTk=&w=ODk0OTY5
 
JuergenH schrieb:
Hallo Pinguin,

vielleicht hilft dir was bausatzmäßiges weiter:

ELV-Bausatz Nr.: 60-618-84 heißt Einschaltstrombegrenzung. Kostet 4,50 Euros. Falls du bei einer Bibliothek in alte ELV-Magazine Einsicht halten kannst, der dazugehörige Artikel war im Heft 01/2005.

Gruß

Jürgen

Billiger zum selberbauen :
Steuer einen MOSFET über ein RC - Glied an der den Vorglühwiederstand überbrückt:
Verdammt wie fügt man hier Bilder ein ?
 
Kaffeemann schrieb:
Die Werte bei Conrad sind alle Mist der Kaltwiederstand deiner Lampe liegt zudem unter 1 Ohm versuchs am besten damit :http://www.pollin.de/shop/tabelle.php?ts=0&pg=OA==&a=NDM5OTA5OTk=&w=ODk0OTY5

Woher weißt du den "Kaltwiderstand"? Kann man das ausrechnen oder ist das halt einfach so?

Tolle Tabelle. Gaaaaaaaaaaaaaaaaaaaaaaanz toll...

Wenn es mit NTV net geht, weil es so "schwache" vielleicht nicht gibt: Das mit dem Vorglühwiderstand und einem Schalter wirds dann wohl werden... Gefällt mir zwar nicht wegen dem Schalter, aber MOSFET und RC-Glied usw.? Ich verstehe da nur Bahnhof. Bin weder mit elektronikern verheiratet oder sonst wie verwandt und meine erdverbundene Ausbildung hilft mir da auch keinen Fünfer weiter... :heul:

Gibt es wenigstens normale Widerstände in der Größenordnung von 6 oder 7 Ohm? Oder was braucht es da für einen Wert...

Danke
 
pinguin schrieb:
Woher weißt du den "Kaltwiderstand"? Kann man das ausrechnen oder ist das halt einfach so?

Tolle Tabelle. Gaaaaaaaaaaaaaaaaaaaaaaanz toll...

Wenn es mit NTV net geht, weil es so "schwache" vielleicht nicht gibt: Das mit dem Vorglühwiderstand und einem Schalter wirds dann wohl werden... Gefällt mir zwar nicht wegen dem Schalter, aber MOSFET und RC-Glied usw.? Ich verstehe da nur Bahnhof. Bin weder mit elektronikern verheiratet oder sonst wie verwandt und meine erdverbundene Ausbildung hilft mir da auch keinen Fünfer weiter... :heul:

Gibt es wenigstens normale Widerstände in der Größenordnung von 6 oder 7 Ohm? Oder was braucht es da für einen Wert...

Danke

Die Schaltung sollte auch für Laien zusammenzubraten sein aber wie fügt man hier ne verdammte Skizze ein ?
 
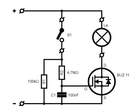
Die Schaltung ist nicht schwer zu löten. Das Problem wird aber sein, dass man schwer einen geeigneten MosFet findet. Der meist verwendete BUZ11 schaltet bei 5 bis 7 Volt leider noch nicht ganz durch. Das bedeutet, dass er bei der Akkuspannung noch einen leicht erhöhten Innenwiderstand hat. Wenn jemand zufällig einen MosFet kennt der schon bei 7,2 Volt voll durchschaltet kann er es ja verraten. Elektronik_3D.jpg
 

Anhänge

  • Elektronik_3D.jpg
    Elektronik_3D.jpg
    27,5 KB · Aufrufe: 358
entweder den ElKo (mit 2000µF beginnen und hoffen, reichts nicht, vergrößern), oder eben einen NTC.
Hier passt vermutlich schon der 1 Ohm. 2,5 oder 5 Ohm auch, macht kaum einen Unterschied.
Allerdings hat diese Sache einige Drawbacks:
  • das Ding wird heiß
  • soll NICHT im Fahrtwind liegen (also am besten ins Gehäuse rein, dort ist aber kein Platz)
  • wenn es in Betrieb war, dauert es einige Zeit bis es sich so weit abkühlt, dass beim Wiedereinschalten neuerlich ein Schutz für die Lampe da ist
  • vernichtet immer ein wenig Strom, da der Widerstand nicht auf Null zurückgeht
imho ist die Kondensatoridee ausbaufähig und die bessere.
(Wenn für beide angenommen wird, dass sie einfachst realisierbar sind. Sozusagen "robuste Methoden")

Zu den einzelnen Werten der NTC hab ich hier im Unterforum diesen Winter eine Liste gepostet, die die werte kalt, warm, ... enthalten hat. Habs bei einer schnellen Suche nach "NTC" und auch nach "Einschaltstrombegrenzung" aber nicht gefunden & habs auch nicht hier, kanns also nicht anhängen.

"Die Suchfunktion ist Dein Freund!";)
 
Borea0707 schrieb:
Die Schaltung ist nicht schwer zu löten. Das Problem wird aber sein, dass man schwer einen geeigneten MosFet findet. Der meist verwendete BUZ11 schaltet bei 5 bis 7 Volt leider noch nicht ganz durch. Das bedeutet, dass er bei der Akkuspannung noch einen leicht erhöhten Innenwiderstand hat. Wenn jemand zufällig einen MosFet kennt der schon bei 7,2 Volt voll durchschaltet kann er es ja verraten. Anhang anzeigen 104892

Hübsch !!!:daumen:

Nur hast du den Vorglühwiderstand parralel zum Fet vergessen und das RC-Glied würde ich ein Stück niederohmiger auslegen sonst kommt es gerade beim Fahrrad durch Dreck und Feuchtigkeit zu Krieschströmen und Fehlfunktion es sei denn man vergißt das ganze.
 
Kaffeemann schrieb:
Die Werte bei Conrad sind alle Mist der Kaltwiederstand deiner Lampe liegt zudem unter 1 Ohm versuchs am besten damit :http://www.pollin.de/shop/tabelle.php?ts=0&pg=OA==&a=NDM5OTA5OTk=&w=ODk0OTY5
wieso gibt es da keine passenden Werte? Da gibt es welche ab 1 Ohm und im Datenblatt von Epkos steht zum Thema Anwendung: Einschaltstrombegrenzung für Schaltnetzteile. Aber egal.

Ich werde mich mal etwas allgemein zum Problem von pinguin äußern, wenns recht is.

Wenn eine Glühlampe "durchbrennt", dann schmilzt ganz trivial der Glühdraht, weil er zu heiß wird. Im Einschaltmoment fließt ein sehr hoher Strom, weil der Kaltwiderstand so niedrig ist, dann entsteht an etwas dünneren stellen mehr Wärme als anderswo und da brennt er durch.
Glühlampen werden normal halt so betrieben, dass sie nach oben noch etwas Luft haben. Wenn man sie mit Überspannung betreibt, muss man verhindern, dass das passiert. Also Einschaltstrombegrenzung.
Aber auch im Normalbetrieb altern die Lampen. Dabei wird der Draht immer dünner, weil ständig Material abdampft (sublimiert), das geht um so schneller, desto heißer der draht ist also an dünnen stellen etwas schneller als an dicken. Die dünnen werden also schneller dünner als die dicken. Ein selbstverstärkender Effekt. Bei Halogenlampen wirkt der Halogenprozess dem zwar entgegen aber grundsätzlich findet das auch hier statt. Da der Alterungsprozess bei höheren Temperaturen schneller abläuft altern Lampen bei Überspannung halt viel schneller.
Diese Miniwattbirnen, wie pinguin sie verwendet werden eh schon bei Überspannung betrieben und nehmen noch mehr Überspannung extrem übel. sie haben eh nur Lebenserwartungen von 25-50 Stunden.

wen es genauer interessiert, im Beleuchtungstext von Olaf Scholz ist das Haarklein erklärt: http://www.enhydralutris.de/Fahrrad/#beleuchtung

Zur Einschaltstrombegrenzung gibt es folgende Möglichkeiten (aufsteigend immer komplizierter aber auch besser):
1)
Elko wie vorgeschlagen, der muss aber riesig sein und ist sicher nicht gesund für die Akkus.

2)
NTC in Reihe zur Lampe. Der sollte einen Nennwert von geschätzt 50-70% des Nennwiderstandes der Lampe haben, also R = U/I mit den Werten, die auf der Lampe stehen. Er sollte natürlich schlecht gekühlt sein, damit er schön warm wird :) also besser nicht im Fahrtwind, um auf punkt zu antworten.
Nachteil:
Auch nach dem Start haben die noch einen Widerstand in Reihe zur Lampe und verbraten ca. 10%der Akkuspannung.

Möglichkeiten mit mehr als einem Bauteil:
3)
NTC wie unter 2 oder einfach normalen Widerstand und den nach dem Einschalten mit Schalter überbrücken.

4) das Überbrücken automatisieren durch MOSFET und RC-Glied, wie von Borea0707 vorgeschlagen. (so hab ichs auch gemacht)

Aber alle diesen Möglichkeiten lösen nur das Problem des Einschaltens. Will man wie pinguin eine Glühbirne ständig an der maximal möglichen Leistung betreiben, muss man auch permanent die Leistung zuverlässig begrenzen. Die NiMh-Zellen haben zwar eine relativ flache Entladekurve, aber während der ersten zehn Prozent der Entladung haben sie doch eine sehr hohe Spannung. Mein Vorschlag also gerade für diese Taschenlampenbirnen, um rauszuholen, was geht:

5)
LowDropSpannungsregler der über RC-Glied langsam die Spannung auf Maximalwert hochfährt. Der schmälert zwar am anfang der Entladung den Wirkungsgrad (aber nicht den der Lampe) aber über die gesamte Betriebszeit ist das eher vernachlässigbar, jedenfalls besser als bei der reinen NTC-Lösung. Zeichnung zum Nachbau auch für Laien folgt später. Da die Alterungsgeschwindigkeit exponentiell mit der Leistung ansteigt, sind diese 10% am Anfang nicht zu vernachlässigen. Für diese teuren Miniwatt Birnen ist sowas auf jeden Fall zu empfehlen. (jedenfalls, wenn man unbedingt das Maximum an Überspannung will)

..und die Eierlegende Wollmilchsau :)
6) Ein PWM-Regler, der sein PWM-Verhältnis nach der eingangsspannung anpasst und einen Softstart realisiert. Das scheidet aber zum Nachbau für pinguin wohl aus. Brächte auch nur eine Leuchtzeitverlängerung von 5- 10% gegenüber 5)

Gruss Gerrit
 
Borea0707 schrieb:
Die Schaltung ist nicht schwer zu löten. Das Problem wird aber sein, dass man schwer einen geeigneten MosFet findet. Der meist verwendete BUZ11 schaltet bei 5 bis 7 Volt leider noch nicht ganz durch. Das bedeutet, dass er bei der Akkuspannung noch einen leicht erhöhten Innenwiderstand hat. Wenn jemand zufällig einen MosFet kennt der schon bei 7,2 Volt voll durchschaltet kann er es ja verraten. Anhang anzeigen 104892

Hi Borea,

ich glaube, deine Schaltung ist genau das richtige. Ich hätte dazu den passenden Fet: 0,03 Ohm Einschaltwiderstand und 3V Gatespannung, Gehäuse TO252 = SMD = kleiner Fingernagel-klein.

Leider komme ich gerade aus meine Chemieküche und habe für heute genug vom Platinen-Machen.

Gibt es denn noch mehr Interessenten als den armen Pinguin? Dann würde sich eine kleine Platine lohnen.

Gruß

Jürgen
 
Die Schaltung habe ich von http://www.taschenlampenforum.de/thread.php?threadid=33&sid=0605752057f23dd6cf229ed9226620e4 verwendet. Snoopy fährt damit seine 12V/100W Osram in 1,5 Sekunden hoch.
Die Werte von R2 und C1 müsste man halt für die jeweilige Akkuspannung und Lampenleistung anpassen damit man auf eine vernünftige Zeitkonstante kommt. Denke die 1,5 Sec dürften i.O gehen. Das sollte lang genug sein um den Glühfaden auf Temperatur zu bringen und kurz genug damit die Schaltung nicht abfackelt. Da ich meine Lampe mit 7,2 Volt Racingpacks betreibe würde ich als MosFet statt dem BUZ11 den IRL1004 nehmen. Wenns interessiert hier ist ein guter Beitrag über passende PowerFets >http://www.sprut.de/electronic/switch/nkanal/nkanal.html. Aber die von dir angedeutete SMD Variante des Fet hätte für sich, dass ich die Schaltung in ein kleines Nightmare Nachbaugehäuse reinbekomme. Bei dem geringen Innenwiderstand müsste auch die SMD Variante mit den 25 Watt fertig werden. Ich habe mich gegen eine PWM Steuerung entschieden, da ich eine möglichst defektunanfällige und kompakte Leuchte wollte. Nach dem Motto was nicht drin ist wird nicht hin.
 
auch ich suche sowas schon seid längerem, habe zwar mehrere pwm varianten durchprobiert, aber keine hat mich voll überzeugt :rolleyes:

kann ich die RC werte für einen 12V Bleigelakku übernehmen? und welchen transistor sollte ich am besten nehmen? ich hab hier noch einen BUZ11 und einen IRF9540. als lampe nehme ich die bewährten 25W.
 
punkt schrieb:
auch ich suche sowas schon seid längerem, habe zwar mehrere pwm varianten durchprobiert, aber keine hat mich voll überzeugt :rolleyes:

kann ich die RC werte für einen 12V Bleigelakku übernehmen? und welchen transistor sollte ich am besten nehmen? ich hab hier noch einen BUZ11 und einen IRF9540. als lampe nehme ich die bewährten 25W.

Dürfte etwas schneller Hochfahren bei 12 V is aber wohl auch egal zur Not C etwas grösser MOSFETS sollten beide passen.
 
Borea0707 schrieb:
Die Schaltung ist nicht schwer zu löten. Das Problem wird aber sein, dass man schwer einen geeigneten MosFet findet. Der meist verwendete BUZ11 schaltet bei 5 bis 7 Volt leider noch nicht ganz durch. Das bedeutet, dass er bei der Akkuspannung noch einen leicht erhöhten Innenwiderstand hat. Wenn jemand zufällig einen MosFet kennt der schon bei 7,2 Volt voll durchschaltet kann er es ja verraten. Anhang anzeigen 104892
Hallo zusammen,
ich habe diese Schaltung zusammengebaut und bin beim Betrieb mit 14,4 Volt und 20 Watt-Lampe zu folgenden Erkenntnissen gekommen:
- Die Schaltung bietet keinen Softstart sondern lediglich eine Einschaltverzögerung.:(
Für einen Softstart ist der MOSFET mit einem entsprechend dimensionierten Widerstand (ab 5 Ohm) zu brücken
- Bei dem in der Schaltung eingezeichneten RC-Glied ergibt sich nur eine minimale Einschaltverzögerung.:( Eine Vergrößerung des Kondensators auf 1µF (10facher Wert) ergibt eine Einschaltverzögerung von 1-2 Sekunden.

Mit diesen Modifikationen funktioniert der Start einer 20Watt-Lampe gut und ohne kompliziertes Umschalten mit und ohne Widerstand (das beim nächsten Start vergessen wird) :daumen: . Ein erster Praxistest steht in der kommenden Woch noch aus.

Viele Grüße
Herbert
 
cartmanAC schrieb:
Um die Lampe zu schützen müsste doch auch eine Z-Diode gehen, oder? Die ist klein und kann man eigendlich überall hinlöten.
Hallo CArt

Du hast wohl den Anfang nicht gelesen....:D
Hier geht es nicht darum die Lampe vor Überspannung, sondern darum, erstens die Lampe vor dem Einschaltstromimpuls zu bewahren und zweitens die Akkuschutzschaltung davor zu bewahren wegen dem Einschaltstromimpuls einfach auszuschalten.

Gruß Armin
 
Zurück