. . . ↙️ (Hier bitte ihren Wunschtext einfügen!) - Geschichten 📙 aus dem Fuhrpark 🚲

Also will sagen, dass an den früheren 110 mm breiten Gabeln von Marzocchi etc. die Bremsaufnahme offenbar exakt so positioniert war, wie an Standard 100 mm Gabeln.
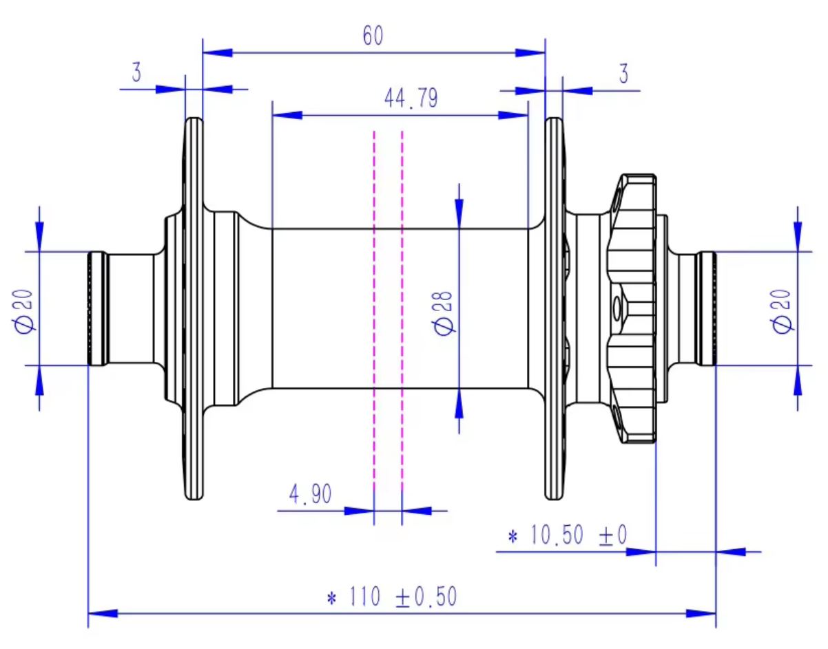
Ich weiß nicht was für Maße für die Positionierung der Bremsscheiben und -Sättel früher üblich waren, aber heute ist es so, dass man eine Vorderradnabe von 110 auf 100 nicht umbauen kann. Nur andersherum geht das, d.h. von 100 auf 110 mittels 5mm dicken Unterlagen für die Bremsscheibenaufnahme (und Endkappen):
https://reverse-components.com/de/produkte/vr-boost-adapter-mit-5mm-scheiben-und-m5-x-15-schrauben
Soll heißen, bei 110 sitzt die Bremsscheibenaufnahme und der Bremssattel 5mm weiter außen als bei Einbaubreite 100.
Wenn das an der Gabel so wie von dir beschrieben ist, dann dürften 5mm kürzere Endkappen den Umbau ermöglichen. Aber auch nur, wenn die Nabe für diese alten Marzocchi-Gabeln vorgesehen ist.
Übrigens dürfte diese alte Nabe dann im Umkehrschluss in neuere Boost-Gabeln, ohne 5mm Unterlage unter der Bremsscheibe, gar nicht passen.
 

Anzeige

Re: . . . ↙️ (Hier bitte ihren Wunschtext einfügen!) - Geschichten 📙 aus dem Fuhrpark 🚲
Ja genau so denke ich mir das 👍.
Hoffentlich stimmt das dann auch. Ich habe Maße gefunden, die dir helfen können:
9x100.JPG

15x100.JPG
20x110.JPG

Also egal welcher Achsdurchmesser und welche Einbaubreite gegeben ist, der Abstand "Bremsscheibenaufnahme - Achsende" ist bei neuen Naben immer 10,5mm. Dieses Maß musst du nach deinem Umbau auf kürzere Endkappen dann auch haben.
Edit: Und wenn deine Überlegungen stimmen, dürfte das Maß "Bremsscheibenaufnahme - Endkappenende" bei dir im Moment 15,5mm sein.
 
Zuletzt bearbeitet:
Und wenn deine Überlegungen stimmen, dürfte das Maß "Bremsscheibenaufnahme - Endkappenende" bei dir im Moment 15,5mm sein.

Sehr gut. Danke fürs Hineindenken Armin! Das ist immer wieder bemerkenswert.

Und du hast Recht, 15,5 stimmt genau, womit wir bremsentechnisch auf der sicheren Seite sein dürften. Morgen werde ich dann noch ein paar Maße vom Nabenkörper nehmen und auch von der Gabel und dann können wir mal bezüglich Achsbuchsen, Endkappen überlegen, wie sich das alles am besten adaptieren lässt.
 
So liebe Bastelfreunde. Bastelstunde:

IMG_7568.jpeg

Hier sehen wir den Ausgangszustand.


IMG_7569.jpeg

Ziel war es ja zur Erinnerung, aus 20x110 nun 12x100 zu generieren. Es lag also nahe, zunächst direkt die Lager auf das gewünschte Maß zu bekommen. 37 mm x 12 mm im Durchmesser gibt es 👍.


IMG_7570.jpeg

Nachteil: Statt 8 mm Breite beträgt diese bei den neuen Lagern satte 12 mm. Aber muss das überhaupt ein Nachteil sein 🤔?


IMG_7572.jpeg

Also erst einmal rein damit - passt. Und zwar komplett plan zu den äußeren Enden des Nabenkörpers. Damit war kein Platz mehr für irgendwelche Endkappen, die ich mir ggf. kostenintensiv hätte drehen lassen müssen etc.

Was eigentlich aber auch egal ist, weil ich schon etliche Naben mit außen ungeniert zur Schau gestellten Lagern gesehen habe:

IMG_7554.jpeg


„FEATURE STATT BUG!“


Also bedurfte es nur noch passender Distanzhülsen, um die nunmehr 80 mm messende Nabe auf 100 mm Einbaumaß zu bringen. Natürlich auch noch mit einem Innendurchmesser von 12 mm 🫣.

IMG_7571.jpeg

Gabs glücklicherweise auch in den Tiefen des Internethandels. Nadelgelagert zwar, was an der Stelle nun wirklich nicht erforderlich wäre, aber komm…

Ich glaube das läuft (wie geschmiert):
IMG_7573.jpeg


image.jpg


Fazit:

IMG_7574.png




Ich gehe jetzt das Laufrad bauen!
 
Ich glaube das läuft
Frage ist, wie lange? Es entfällt ja die Stützhülse zwischen den Lagerinnenringen, dadurch kommen die Spannkräfte der Steckachse über die Lagerinnenringe voll auf die Kugellager: Wenn du jetzt die Steckachse fest genug anziehst, ist die Nabe fest. :eek:
Oder hast du eine Stützhülse mit Innendurchmesser 12mm zwischen den beiden Lagern platziert?
 
Frage ist, wie lange? Es entfällt ja die Stützhülse zwischen den Lagerinnenringen, dadurch kommen die Spannkräfte der Steckachse über die Lagerinnenringe voll auf die Kugellager: Wenn du jetzt die Steckachse fest genug anziehst, ist die Nabe fest. :eek:
Oder hast du eine Stützhülse mit Innendurchmesser 12mm zwischen den beiden Lagern platziert?
Darüber dachte ich auch nach. Die alte Hülse mit dem großen Durchmesser hätte nichts gebracht, da diese auf die Dichtungen gedrückt hätte. Ich wollte es zumindest ohne Hülse testen, bevor die Nabe noch schwerer wird. Ich glaube die neuen Lager sind derart massiv, dass denen etwas axialer Druck nichts ausmacht 🤷🏻‍♂️.

Hmmm…15 Nm steht auf der Steckachse. Probier ich.
 
15 Nm steht auf der Steckachse. Probier ich.
Bitte zieh die Steckachse nicht mit 15Nm an: Bei meiner hinteren steht 10Nm drauf und das war schon zu viel: Ich konnte die fast nicht mehr lösen, trotz Fett auf Gewinde und unterm Kopf.
Seitdem ziehe ich die nur noch nach Gefühl an, vielleicht mit 6Nm.
 
Das ist gut. Ich bin vorsichtig.

Es kann sicher nicht schaden, nach einer Art Stützhülse Ausschau zu halten. Ich mess die Länge der alten mal (edit: 56 mm). Und dann 12 mm innen, logisch. Außendurchmesser darf maximal 18 mm sein.
 
@ArSt Armin guck mal drauf bitte:

https://www.ebay.de/itm/13474176906...ar=434248274628&widget_ver=artemis&media=COPY

Die sind aus ABS Kunststoff, also leicht.
Gibt es nur bis 50 mm Länge, man kann aber stückeln. Dürfte ausreichen oder nicht druckstabil genug?

.
.
.

Eigenschaften von ABS-Material



„ABS-Kunststoff ist sehr leicht, aber gleichzeitig robust und hart. Außerdem ist ABS-Material formstabil, wodurch es sich beim Gebrauch kaum verbiegt. Es ist jedoch witterungsempfindlich; durch UV-Licht, Sauerstoff, Feuchtigkeit und Hitze kann sich das Material verfärben und an Festigkeit verlieren. Um diesem Prozess entgegenzuwirken, werden dem Kunststoff UV-Stabilisatoren beigefügt. Dadurch bleibt das Material nicht nur fest, sondern es hat auch eine längere Lebensdauer. Produkte aus ABS-Kunststoff halten länger als Alternativen aus Stahl oder Aluminium.“
 
Zuletzt bearbeitet:
Ich glaube die neuen Lager sind derart massiv, dass denen etwas axialer Druck nichts ausmacht 🤷🏻‍♂️.
Das wird leider nix. Die Lager werden extrem schnell verschleißen und Spiel entwickeln. Einigermaßen klar kommen könnten sie, wenn du "Angular Contact Bearings" gekauft hättest - also welche bei denen der Käfig die Kugeln in einem Winkel abstützt (eben entgegen der Axialkräfte).
Eine passende Hülse aus kompressionsfestem Kunststoff (mit 2mm Wandstärke) sollte es aber tun.
 
Ich kenne ABS sehr gut aus meinem Berufsleben, und ich kann speziell an dieser Stelle einen Satz aus meiner Studienzeit wiedergeben: Wer Kunststoff kennt, nimmt Metall!
DT z.B. hat auch eine derartige Konstruktion und verwendet eine stählerne Stützhülse. Hier die Nummer 300:
aHR0cHM6Ly9mc3RhdGljMS5tdGItbmV3cy5kZS92My8yMC8yMDM5LzIwMzkxMDAtMjdnZ3BxY201ZDNxLWR0MzUwLW9yaWdpbmFsLmpwZw.jpg

Hier wird Stahl verwendet, weil die Innenringe der beiden Lager recht dünn sind. In ein Rohr aus ABS würden sich die dünnen Innenringe der Lager gleich einpressen.
Da bei dir die Innenringe eher dickwandig sind, also eine große Auflagefläche mit sich bringen, könnte ich mir als Stützhülse ein eher dickwandiges Alurohr vorstellen. Dieses Alurohr sollte also einen Innendurchmesser von mindestens 12mm haben und einen Außendurchmesser von geschätzten 18mm besitzen. Z.B.:
https://www.ebay.de/itm/25127212721...kWPhYXySzbXK0uyXjeI_7okgnxcsCAhxqv5aSPqVegTzF
https://www.ebay.de/itm/142224719350?_trkparms=amclksrc=ITM&aid=1110006&algo=HOMESPLICE.SIM&ao=1&asc=272500&meid=fc4265b862084ee3843d69dc4ae12582&pid=101224&rk=3&rkt=5&sd=251272127211&itm=142224719350&pmt=0&noa=1&pg=2332490&algv=DefaultOrganicWebV9BertRefreshRankerWithCassiniEmbRecall&_trksid=p2332490.c101224.m-1
So eine Stützhülse muss 0,1 bis 0,2mm länger sein, als der Abstand zwischen den beiden Lagerinnenringen beträgt. Durch diese leichte Überlänge der Stützhülse wird vermieden, dass die Lager durch Anziehen der Steckachse verspannt werden.

Edit: Daniel, ich habe jetzt erst gesehen, dass du die Maße 12, 18 und 56 schon festgelegt hast. :daumen:
 
Zuletzt bearbeitet:
Dann wird es Alu, das kann man ja mit dem Rohrschneider schön präzise passend ablängen 👍.
Halte ich für ein Gerücht, weil ich mir das Ablängen im Zehntelbereich damit nicht vorstellen kann. :ka:Außerdem sollten die Stirnseiten der Stützhülse schön eben und genau im rechten Winkel zur Achse sein.
Rechter Winkel geht ja noch, aber eben wird so ein verdrücktes Rohrende doch nicht?
Übrigens noch etwas Daniel: Normal sitzen Rikulas immer mit einem leichten Presssitz auf ihrer Achse. Ist das denn mit einer Steckachse gegeben? Wenn sich die Steckachse ohne großen Widerstand einfach durch die Lager schieben lässt, dann besteht die Gefahr, dass die Innenringe der Lager allein schon durch den Reibungswiderstand ihrer Dichtungen auf der Achse leicht blockieren und sich im Laufe der Zeit in die Achse einarbeiten. Dieses Problem lässt sich durch die Stützhülse vermindern, wenn alle Bauteile, die auf der Steckachse aufgefädelt sind, über die angezogene Steckachse fest miteinander verspannt sind.
Das solltest du im Auge behalten.
 
Normal sitzen Rikulas immer mit einem leichten Presssitz auf ihrer Achse. Ist das denn mit einer Steckachse gegeben?
Naja ich denke schon. Da hab ich ja nichts Neues oder Anderes erfunden, als ohnehin beim Original vorhanden war.

Wenn das alles trotz Stützhülse etc. nach ggf. einiger Zeit nicht mehr perfekt laufen sollte, speiche ich halt eine passende Nabe neu ein. Die White kann ja ohne Weiteres auch jederzeit wieder zurückgerüstet werden.
 
Nach reichlich Pfuscherei Fachsimpelei nun mal wieder Emotionen:

IMG_7597.jpeg
IMG_7595.jpeg
IMG_7596.jpeg
IMG_7600.jpeg


Steht doch recht interessant da. Der Lenker ist schon mächtig irgendwie aber auch besonders und bestimmt ergonomisch.

Ein 15mm Spacer könnte das ganze noch verlassen. Ich wollte den Schaft der teuren Forke nur nicht zu sehr kürzen, falls die später noch einmal woanders heran wandert.

Ansonsten ist das farblich doch insgesamt gut sortiert wie ich finde.

IMG_7598.jpeg
IMG_7603.jpeg
IMG_7602.jpeg
IMG_7605.jpeg
IMG_7601.jpeg



Mein größter innerer Konflikt ist der Kurbelbereich. Zur Erinnerung: Die GR Variante baut für die Kettenstreben hier um wenige Millimeter zu schmal.
Die hier abgebildete Cyber Crank ist mit Vierkant und so würde das schöne Hope Lager für 24er Wellen entfallen, was ich sooo schade finden würde.

Frage: Wenn ich mir sehr rechtzeitig vor Weihnachten doch noch eine OR leiste, wieder in der abgebildeten Cerakote Beschichtung? Oder vielleicht die vernickelte Variante, welche dann ziemlich exakt zum Finish des Lenkers und der Paul Hebel passen würde 🤔.

IMG_7604.jpeg


Geotechnisch ist der Hobel hier übrigens wohl eher unterbewusst ziemlich an mein Zymotic angelehnt. Nicht nur wegen dem kaum zu bemerkenden 27,5/ 26“ Mulletcharakter.
 
Frage: Wenn ich mir sehr rechtzeitig vor Weihnachten doch noch eine OR leiste, wieder in der abgebildeten Cerakote Beschichtung?
Ich denke die vernickelte Variante wird immer etwas anders aussehen wie Lenker und Bremsgriffe, wie der geschliffene Rahmen sowieso. "Etwas anders" heißt für mich also "bloß ungefähr" oder "nicht ganz" getroffen.
Dann besser bei der Cerakote Beschichtung bleiben, passt ja auch zu Reifen und Gabelausfallenden. :daumen:
 
Der Aufkleber von @µ_d passt ja farblich ganz ausgezeichnet.

Und das Lenkgeweih hat was. Cool. 👍
Kurbel in Cerakote-"Schwarz" finde ich gut. Greift das Schwarz der Gabel auf.
 
Zurück