brill schrieb:Wie groß ist denn der aufwand einen mikrokontroller zu programieren?
bzw ist es für einen laien realisierbar der sich mit der materie beschäftigen will?
ich würde auch gern eine lampensteuerung realiesiern.
Ich habe programier kenntnisse in Basic.
Elektronik grundkenntnisse sind vorhanden und löten kann ich auch.
Der bauteil aufwand schein ja recht gering zu sein.
Was brauche ich noch alles auser ein bord in dem der ic programiert werden kann und die schaltung für die lampe ein labornetzeil mit strombegrenzung.
Woher hab ihr euer fach wissen lehre? studium? bücher?
schönes wochenende noch
Sebastian
Also...
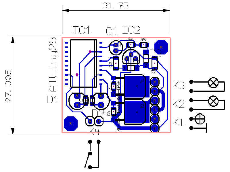
Wir verwenden für die Schaltung einen Atmel ATtiny26 Controller, das tolle ist, dass er direkt in der fertigen Schaltung programmiert wird! Du brauchst also nur den Controller (ca. 1,60 ) und einen ISP, das ist auch nur ein Atmel Cotroller, der die Schnittstelle zwischen PC und Target herstellt (gibts lauffertig für etwa 20.- beim großen E).
Um so ein Dingens zu programmieren, solltest schon etwas C programmieren können, oder zumindest Assembler. Die Software dazu gibt es kostenlos (z.B. AVR Studio).
Nötige Grundinfomationen gibt es z.B. bei http://www.mikrocontroller.net, da geht es hauptsächlich um die Atmel AVR Serie. Die meisten dort sind Laien, die das ganze als Hobby betreiben...
Nachtrag: Es gibt sogar einen BASIC-Compiler, allerdings werden die Tinys nicht unterstützt wenn ich das richtig gelesen habe... Aber auch ein ATmega kostet nur Peanuts!
http://elmicro.com/de/bascomavr.html
Also packs an!!

- steht ja alles in den entsprechenden Datenblättern - man braucht halt Zeit.