SRAM Eagle Erfahrungen

Wieviel km hat es bei Dir gedauert bis es nachlässt? Für mich ist die kupplung Das feature im 1fach buisness. Wenn die den gleichen müll an der axs einsetzen bin ich enttäuscht.
Ist schwer zu sagen, wenig Laufleistung, verteilt auf drei Bikes und das wo die AXS länger hat, ist das bergauf -bergab Bike. Hab nur mal die Tage beim Radeln durch den Schatten gesehen, wie die Kette etwas schlaff ist unter der KS. Hab Ein Gliederpaar raus und fahre nun so.
Hab aber trotzdem massives Kettenschlag, was aber am Bike liegt. Nachträglicher/zusätzlicher KS Schutz sieht nach einer Tour schlimmer aus als andere nach Jahren. Ohne SAG liegt die Kette bei mir oben auf der KS auf, da ist es vorprogrammiert, das liegt also weniger an der Kupplung.

Die andere AXS ist am Trail-HT ohne Kefü und gar kein Thema. Zwar auch minimal lockerer beim Umbau von mechanisch auf AXS, aber arbeitet super. Vielleicht werde ich dort auch mal mit der Zeit ein Gliederpaar rausnehmen.

Für mich überwiegen ganz klar die Vorteile.
 
Was soll das bringen? Du spannst die Feder zwar weiter vor, die Federkraft bleibt jedoch die gleiche, es sei denn in der Kupplung ist eine progressive Feder verbaut.
Wirkt etwas schlabbrig auf mich einfach. Vielleicht hab ich im Dezember beim Aufbau auch ein Paar zu viel drin gelassen und fällt mir jetzt erst auf. Behaupte auch die SRAM Eagle ist was Kettenlänge angeht sehr unempfindlich.

Bis auf Klackern beim Rückwärtstretten im 10+11 Gang aber alles sauber laufend.
 
Wirkt etwas schlabbrig auf mich einfach. Vielleicht hab ich im Dezember beim Aufbau auch ein Paar zu viel drin gelassen und fällt mir jetzt erst auf. Behaupte auch die SRAM Eagle ist was Kettenlänge angeht sehr unempfindlich.
Die richtige Länge der Kette zu ermitteln ist ja eigentlich ganz einfach und da gibt es dann im Prinzip auch wenig Spielraum und es wirkt sich überhaupt nicht auf die eigentliche Funktion der Clutch aus.
 
Die richtige Länge der Kette zu ermitteln ist ja eigentlich ganz einfach und da gibt es dann im Prinzip auch wenig Spielraum und es wirkt sich überhaupt nicht auf die eigentliche Funktion der Clutch aus.
Wenn die Kette zu lang ist, wird irgendwann die Kette sehr locker werden und weniger Spannung haben.

Theoretisch ja, hat ja auch gepasst mit der mechanischen.
 
Gut, zu lange ketten wsren hier nicht meine Frage. Beobachtet von euch sonst niemand das nachlassen der funktion der Kupplung an nem Eagle (egal ob axs oder mech)?
 
Ja es gibr keinen extra widerstand wenn man den käfig nach vorne drückt ausser der feder. Es klappert mehr und die kette ist jetzt auch mehrmals vom blatt gefallen.
Beim tausch auf zweite schaltwerk ist es ganz klar zu spüren wie die kupplung greift und der käfig nur sehr eiederwillig kette frei gibt. Im freundeskreis gibts auch mehrere gx fahrer die das gleiche erleben nach so 5 bis 9 monaten.
 
Ja es gibr keinen extra widerstand wenn man den käfig nach vorne drückt ausser der feder. Es klappert mehr und die kette ist jetzt auch mehrmals vom blatt gefallen.
Beim tausch auf zweite schaltwerk ist es ganz klar zu spüren wie die kupplung greift und der käfig nur sehr eiederwillig kette frei gibt. Im freundeskreis gibts auch mehrere gx fahrer die das gleiche erleben nach so 5 bis 9 monaten.
Ich hab drei Eagle im Einsatz und kann dies von keiner berichten.

Dier erste ist nach dem Tausch auf AXS ans DC gewandert. Am großen Bike war Kefü dran, jetzt nicht mehr. Nie ansatzweise Probleme. Dürfte nun 2.000km haben, am großen Fully war die mehrmalig am Reschen etc unterwegs.
Eagle Nr.2 dürfte auch 2.000km gehabt haben am Trail-HT was ich als Fully-Jäger benutzt habe, keine Kefü dran. War auch mit der GX Kassette und dem günstigen SRAM KB, Wintereinsatz mit Trockenschmierstoff.
Auch nach dem Umbau werkelt die heute noch bei einem Bike-Buddy am Bike. Auch nie ansatzweise Probleme.

Alle meine Eagle sind GX Schaltwerke, mechanisch bzw AXS. Der Rest ist bunt gemischt XX1 oder X01 Parts Shift Up KB, chin oder seit kurzem auch JRC Schaltröllchen. Aber die einzigen GX Ketten die ich hatte, sind nach 700km überall runter. Die längen sich sehr früh was sicherlich auch zum schlechteren Sitz führt.
Auch die günstigen Kettenblätter verschleißen zügig in meinen Augen, deswegen hab ich aktuell verschiedene im Einsatz um zu sehen was am besten hält. Kann ich meinen Augen auch ein deutlicher Grund für Kettenabwurf sein. Auch eine falsche Kettenlehre kann dies bewirken.
 
Vielleicht haben sie ja bei der axs tatsächlich was gemacht. Wäre ja gut.
Verschleiss werde ich am kb jetzt eh prüfen da ich ein neues 30er bekomme.
Unabhängig davon ist die kupplung aber wirklich im arsch. Fühlt man und hört man.
 
"Keine Probleme gehabt" und "Kraft der Kupplung/Reibungsdämpfer lässt deutlich nach" sind aber schon zwei verschiedene Aussagen, die nicht zwingend etwas miteinander zu tun haben. Vor allem nicht, wenn sie von 2 unterschiedlichen Fahrern mit unterschiedlichen Fahrprofilen kommen. Von der km-Leistung und "Schaltprofil" mal ganz zu schweigen.
Tatsache ist, dass das Internet ziemlich voll von Meldungen bzgl. nachlassender Wirkung der Kupplung ist, egal ob mechanisch oder AXS. Man kann auch nichts dagegen machen.
Shimano hat da offenbar eine bessere Lösung. Man munkelt, dass Shimano ein Patent drauf hat und deswegen kann/will SRAM keine einstellbare Kupplung wie Shimano.

EDIT: Die Meldungen betreffen vor allem Clutch Type 2.1 und Type 3. Bei alten Type 1 (und Type 2?) Schaltwerken konnte man die Kraft noch nachstellen. Das geht erst ab Type 2.1 nicht mehr, wenn ich mich richtig erinnere.
 
Die ersten Kupplungen von sram waren auch einstellbar in der vorspannung.
Dass die serienstreuung haben und fahrer das material unterschiedlich belasten mag eine grosse rolle spielen warum es beschwerdefreie und problemkunden gibt. Nur bin ich kein power user und bilde mir die problrme ja auch nicht ein. Sehr unzufriedenstellend bislang.
Ich wundere mich nur warum hier keine negativberichte auftauchen.
 
Shimano hat da offenbar eine bessere Lösung. Man munkelt, dass Shimano ein Patent drauf hat und deswegen kann/will SRAM keine einstellbare Kupplung wie Shimano.
Die Patentlage ist meines Wissens nach genau umgekehrt.
Und wenn man die Shmano-Kupplung einschaltet, werden die Bedienkräfte so hoch, dass man es in der Regel freiwillig wieder bleiben lässt. In meinem Umfeld findet diese Kupplung die auch noch extrem viel Wartung benötigt keiner gut.
 
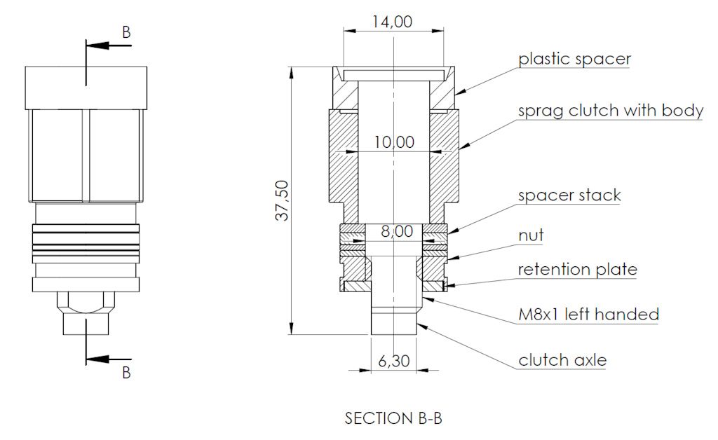
Type3.jpg

Die Type 3-Kupplungen enthalten keinen Klemmrollenfreilauf mehr, sondern stattdessen eine sog. Sprag-Clutch (Klick) und lassen sich auch nicht ausbauen. Sie sind fest im Schaltwerk verbaut. Wenn die Dämpfung nachlässt, muss man entweder damit leben oder ein neues Schaltwerk kaufen.
 
Ich habe mal eine Frage in Eagle Runde:

Muss man ein SRAM GX Eagle AXS Schaltwerk nachjustieren/Kette wechseln, wenn man von einer 10-50 auf eine 10-52 Kassette wechselt?

Danke im Voraus
 
Das Tool kannst du auch verwenden um dich anzunähern. Prüfe anschließend, ob der Abstand Kassette-Schaltröllchen passt - Seite 43 in der Anleitung
https://www.sram.com/globalassets/d.../drivetrain/eagle-axs-systems-user-manual.pdfDu kannst also das Chaingap sogar ohne Lehre einstellen. Darüber hinaus ist diese Einstellung per Tool ohnehin nicht in Stein gemeißelt. Wenn es sauber schaltet und es zu keiner Berührung kommt - passt schon.

Ob du ne längere Kette benötigst kann man so nicht sagen. Theoretisch müsste sie ein Glied länger werden - geht aber sowieso nicht weil wenn dann müssen es mindestens 2 sein. Wenn die Kette vorher korrekt abgelängt war, dann war sie eher auf der langen Seite und passt jetzt auch noch. Ansonsten Seite 32ff der Anleitung.
 
Das Tool kannst du auch verwenden um dich anzunähern. Prüfe anschließend, ob der Abstand Kassette-Schaltröllchen passt - Seite 43 in der Anleitung
https://www.sram.com/globalassets/d.../drivetrain/eagle-axs-systems-user-manual.pdfDu kannst also das Chaingap sogar ohne Lehre einstellen. Darüber hinaus ist diese Einstellung per Tool ohnehin nicht in Stein gemeißelt. Wenn es sauber schaltet und es zu keiner Berührung kommt - passt schon.

Ob du ne längere Kette benötigst kann man so nicht sagen. Theoretisch müsste sie ein Glied länger werden - geht aber sowieso nicht weil wenn dann müssen es mindestens 2 sein. Wenn die Kette vorher korrekt abgelängt war, dann war sie eher auf der langen Seite und passt jetzt auch noch. Ansonsten Seite 32ff der Anleitung.

Sauber, -DANKE!

Also braucht der Sram Zauber 3 mm Abstand zwischen den Zähnen 👍
 
Zurück