Alutech Fanes im Test: Langhubiges Spaßgerät in sechster Generation

Alutech Fanes im Test: Langhubiges Spaßgerät in sechster Generation

aHR0cHM6Ly93d3cubXRiLW5ld3MuZGUvbmV3cy93cC1jb250ZW50L3VwbG9hZHMvMjAxOS8wNy9jZDg3ZmU0MTk1YmQ0NDEyN2YxOGViZDEzNDZkZmQzNzQ4ZjczODA3LmpwZw.jpg
170 mm Federweg, 27,5"-Laufräder, moderne Geometrie, extrem schickes Design und ein ordentliches Preis-Leistungs-Verhältnis: Alutech hat in drei Jahren Entwicklungszeit viel Herzblut in die sechste Generation der Fanes gesteckt – und das sieht man. Doch wie schlägt sich das Enduro aus dem Norden Deutschlands im Alltagseinsatz? Wir haben es für euch getestet!

Den vollständigen Artikel ansehen:
Alutech Fanes im Test: Langhubiges Spaßgerät in sechster Generation
 
Zuletzt bearbeitet:
Wenn die tatsächlich noch so oft brechen würden (bei den frühen Fanes gab's da ja mal ein echtes Problem), müsste das Alutech-Forum aber voll davon sein.

Ja, ich denk mal, wir haben jetzt alles gesagt. Wenn Deins ja hält, ist ja gut. Ich suche wirklich noch ein Rahmen. Alutech steht auf der Liste der 5 Hersteller, die ich in Erwägung ziehen würde. Aber so richtig sicher bin ich mir nicht, aufgrund des Gehörten und Gesehenen. Und wenn Dir 4 Leute mit einem Alutech begegnen und Dir alle bei einer gemeinsamen Tour das gleiche erzählen? Biste ja nicht mehr automatisch geneigt zu sagen, oh ja, das will ich auch erleben. Da gibt es besseres, was ich mir während einer Tour vorstellen kann.
 
Nicht wirklich.
27/27 hat ne 170er Gabel drin und 29/27 hat eben nur 160 mm Federweg.
Somit ist die EBL nahezu identisch
Moin, das versteh ich jetzt nicht ganz :-)
Die Einbauhöhe selber ist minimal niedriger mit den 160mm, korrekt (in sich wahrscheinlich gut nen cm höher, aber was solls)
Aber... wenn ich jetzt in die 160er 29er gabel ein 27,5 " Rad einbauen würde wärs in etwa gleich, aber mit dem 29er laufrad vorne kommt ja noch was drauf....
Oder hab ich nen Denkfehler?

Grüsserlinge
 
ne, haste nicht. der radius des rades ist um ca. 19 mm größer, also muss die gabel rechnerisch insgesamt ca. 38 mm weniger federweg haben, um dieselbe geometrie zu erreichen - das gilt dann aber auch nur unbelastet.
 
Hatte mal das 4.0 Fanes. Bergab war das sehr stark mit CC DB Air Dämpfer. Service ist auch sehr persönlich, nett, schnell und einigermaßen kompetent. Ich hoffe nur, Alutech hat mittlerweile die Probleme an den Lagern und die Passgenauigkeit des Hinterbaus gelöst. Damals war der Hinterbau von Haus aus übel verzogen und stand richtig unter Spannung. Das ist natürlich scheiße für die Lager, die entsprechend oft kaputt waren (mehrfach in der Saison). Als Lösung hatte man mir einzig vorgeschlagen, die Lager mit Schraubensicherung einzukleben :rolleyes:

Die Lagersitze waren außerdem auch nicht ideal, teils unmöglich Lager rein- und rauszubekommen (inkl. professionellem Werkzeug, Heißfön, Tiefkühler und letztlich dosierter Gewalt...). Das galt leider sogar für das Steuerrohr. Nachdem der erste Steuersatz oben gerade (!) eingepresst war, war er auch schon kaputt. Beim zweiten Anlauf gings dann gut.

Aber ich hörte, diese Probleme seien gelöst worden. Würde gern ein Langzeittest sehen. Am besten gleich im Vergleich zum Nomad und Clash. Vielleicht würde es dann mal wieder ein Alutech werden.
 
ne, haste nicht. der radius des rades ist um ca. 19 mm größer, also muss die gabel rechnerisch insgesamt ca. 38 mm weniger federweg haben, um dieselbe geometrie zu erreichen - das gilt dann aber auch nur unbelastet.

Echt jetzt?
Dann hab ich es mir schön gerechnet.

Aber ich hab ja noch ne 27,5 Gabel inkl Laufrad da.
Dann steck ich das mal um und werde den Unterschied einfach mal aufm Trail probieren.
 
hab aber auch nen denkfehler drin... dieselbe geometrie geht nicht. das 29" VR hebt die Vorderachse ja um 19 mm an, also hebt sich auch das tretlager, die winkel werden ca. 1 ° flacher, etc....
 
Wieso? Erklär mal.

Es gab eine Kettenstreben-Problematik, hier wurde immer schnell geholfen. Seit 2016(?) ist das erledigt...
Die anderen o.g. Probleme gab es vereinzelt, auch hier gab es schnelle Lösungen.

Ansonsten sind Alutechs eher bekannt dafür ziemlich stabil zu sein...deiner gefühlten Wahrheit läuft das natürlich entgegen.
:daumen:

(Dein Fanboy Gequatsche ist genauso inhaltslos wie dein restlicher Post, Bezug darauf obsolet.)
 
Es gab eine Kettenstreben-Problematik, hier wurde immer schnell geholfen. Seit 2016(?) ist das erledigt...
Die anderen o.g. Probleme gab es vereinzelt, auch hier gab es schnelle Lösungen.

Ansonsten sind Alutechs eher bekannt dafür ziemlich stabil zu sein...deiner gefühlten Wahrheit läuft das natürlich entgegen.
:daumen:

(Dein Fanboy Gequatsche ist genauso inhaltslos wie dein restlicher Post, Bezug darauf obsolet.)
Schau mal, ich hab doch genau geschrieben, dass ich erst 4 Leute traf. Aber alle 4 Leute erzählen das gleiche. Nochmal, dein Marketing-Gepose kannste dir sparen. Das juckt mich nicht. Hast du ein Vertrag mit Alutech, oder was regst Du dich so auf? Scheinbar? Wenn nicht, dann biste ein Fanboy? Suchs dir aus? Kapierste selbst, oder ?
 
hab aber auch nen denkfehler drin... dieselbe geometrie geht nicht. das 29" VR hebt die Vorderachse ja um 19 mm an, also hebt sich auch das tretlager, die winkel werden ca. 1 ° flacher, etc....

Zur EBL der 29”er Gabel 19mm addieren, dann weiß man um wie viel die höher es insgesamt baut.
Zb. 28mm mit Lyrik 29” 150mm (EBL + 19mm) und Lyrik 27,5” 160mm. Immer noch ein beträchtlicher Unterschied. Tretlager könnte man runter bekommen wenn man eine noch kürzere Gabel einbaut, aber ob das sinnvoll ist?
Würde das gerne mal ausprobieren...
 
Schau mal, ich hab doch genau geschrieben, dass ich erst 4 Leute traf. Aber alle 4 Leute erzählen das gleiche. Nochmal, dein Marketing-Gepose kannste dir sparen. Das juckt mich nicht. Hast du ein Vertrag mit Alutech, oder was regst Du dich so auf? Scheinbar? Wenn nicht, dann biste ein Fanboy? Suchs dir aus? Kapierste selbst, oder ?

Auf die Fakten willste nicht eingehen, dachte ich mir.

Mit dem Rest ists wie mit der Sau und der Eiche...
 
Zur EBL der 29”er Gabel 19mm addieren, dann weiß man um wie viel die höher es insgesamt baut.
Zb. 28mm mit Lyrik 29” 150mm (EBL + 19mm) und Lyrik 27,5” 160mm. Immer noch ein beträchtlicher Unterschied. Tretlager könnte man runter bekommen wenn man eine noch kürzere Gabel einbaut, aber ob das sinnvoll ist?
Würde das gerne mal ausprobieren...
Gaaanz so krass ist's ja nicht. EBL musst ja doch unter dem Gesichtspunkt des Lenkwinkels betrachten. Also Gabel Einbaulänge normal 560mm bei 27,5" und 65° Lenkwinkel.

Für's LoveOrHate kann ich leider keine Geo-Tabelle finden... zum selber nachmalen hab ich grad keine Lust.
Den größten Auslgeich erzielt man wenn man die Gabel mit mehr Nachlauf kauft. Dann wird sich die Front um ca 25mm heben, das Tretlager um ca 1/3 davon...
 
Es gab eine Kettenstreben-Problematik, hier wurde immer schnell geholfen. Seit 2016(?) ist das erledigt...

Meiner Meinung nach hat das im August 2012 mit der ersten Charge der 3.0er Version begonnen (ich glaube noch immer, meine Fanes war der erste Fall, war auch ein Rahmen der allerersten Lieferung (noch per Luftfracht). Kurz nach meinem Fall war die Ursache bekannt, allerdings waren schon viele Bikes dieser Charge ausgeliefert. Meine Ersatzstrebe hat es dann nach 6 Monaten erneut an der rechten Schweißnaht zum Yoke "gesprengt". Danach gab es eine verstärkte Strebe, die bis heute hält und bei schwereren Fahrern grundsätzlich verbaut wurde.

Die Lager-Fresserei hat sich durch die Stützhülse im Haupttlager drastisch verbessert. Seitdem ist auch die Knackanfälligkeit weg. Die anderen Lager halten passabel, sind aber auch fix getauscht und kosten nur ein paar Euro.

Meine Alutech-Fanboy-Zeiten, sofern es die je gab, sind vorbei. Das Bike ist nicht perfekt. Welches Bike ist das aber schon? Santa Cruz' knacken noch schlimmer, Evil haben Streben aus Papier, auch mein Nicolai ist nicht perfekt. Allerdings passt bei Alutech der Service. Und letztlich kommt es darauf an, weil immer was passieren kann.

Die Preise sind eigentlich OK, wenn man bedenkt, dass meine Fanes 3.0 in 2012 ca. 3.500€ gekostet hat, mit Lyrik, Vivid Air, Reverb und X.9. Eine vergleichbare Fanes ist die Ausführung TrailReady. Für den gleichen Preis gibt es eine Ausstattung auf ähnlichem Niveau. Lediglich die Schaltung wäre ein Downgrade, aber funktioniert auch und wäre bestimmt für einen vertretbaren Betrag upgradebar. Dir Bremsen sind dafür besser, die Stütze und Laufräder auch. Man muss nicht immer die Topmodelle vergleichen, wo andere Hersteller womöglich ganz andere Einkauskonditionen haben.
 
Auf die Fakten willste nicht eingehen, dachte ich mir.
...

Lies doch einfach mal, das sind die Dinge, die man leider öfters mal hört. Beim F5 soll der Carbon-Rocker ein Teil sein, das oft defekt geht und das schon nach wenigen km.

Hatte mal das 4.0 Fanes. Bergab war das sehr stark mit CC DB Air Dämpfer. Service ist auch sehr persönlich, nett, schnell und einigermaßen kompetent. Ich hoffe nur, Alutech hat mittlerweile die Probleme an den Lagern und die Passgenauigkeit des Hinterbaus gelöst. Damals war der Hinterbau von Haus aus übel verzogen und stand richtig unter Spannung. Das ist natürlich scheiße für die Lager, die entsprechend oft kaputt waren (mehrfach in der Saison). Als Lösung hatte man mir einzig vorgeschlagen, die Lager mit Schraubensicherung einzukleben :rolleyes:

Die Lagersitze waren außerdem auch nicht ideal, teils unmöglich Lager rein- und rauszubekommen (inkl. professionellem Werkzeug, Heißfön, Tiefkühler und letztlich dosierter Gewalt...). Das galt leider sogar für das Steuerrohr. Nachdem der erste Steuersatz oben gerade (!) eingepresst war, war er auch schon kaputt. Beim zweiten Anlauf gings dann gut.

Aber ich hörte, diese Probleme seien gelöst worden. Würde gern ein Langzeittest sehen. Am besten gleich im Vergleich zum Nomad und Clash. Vielleicht würde es dann mal wieder ein Alutech werden.


...
Mit dem Rest ists wie mit der Sau und der Eiche...

Jan, deiner fantastischen Rhetorik zufolge, ist mir nun klar, mit wem ich es zu tun habe. Ich bedanke mich und verabschiede mich hier mal aus dem Gespräch mit Dir.

Lassen wir das ganze mal, 8-) deine Manieren beim Kommunizieren gefallen mir gar nicht. Und ich werde "leider" nicht vom Bikemarketing der Hersteller bezahlt. Aber, wenn du mal dein Fanes 6 hast, und ein Jahr oder 2 Jahre problemlos gefahren bist, komme ich gern mal nach Neustadt runter, war da früher sowieso gern, oder ich zeig Dir gern mal ein Trail am Taunus und wir besprechen das ganze vlt nochmal in Ruhe. Also, mach es gut. Und besser Dich.
 
Zuletzt bearbeitet:
Naja, Hörensagen spielt nunmal viel in die Meinungsbildung mit rein. Ich z.B. hab noch kein Last ohne Beulen gesehen, auch wenn das den ein oder anderen Fanboy nicht gefallen hat. Bin aber kürzlich mal eins gefahren, ein Coal, fährt sich dennoch ausgesprochen gut:ka:. Richtig gut.
Von Alutech habe ich bisher nur von einigen Brüchen und vieler Probleme mit den Lagern gehört. Kommt für mich somit nicht mehr in die engere Wahl bei einem Kauf. Beulen, wie bei den mir bekannten Last, würden mich nicht stören, aber Brüche und schlecht gemachte Lagersitze schon. So ist das halt nunmal. Niemand ist in der Lage alle Marken und Bikes min. 5 Jahre zu fahren um sich eine fundierte Meinung zu bilden.
 
Vor lauter Hitzeschaden hab ich Laubiges Spaßbike gelesen. :confused: Abgesehen vom fehlenden Flaschenhalter schon sehr sehr geile Kiste, Aluminium Beschde!
 
Gaaanz so krass ist's ja nicht. EBL musst ja doch unter dem Gesichtspunkt des Lenkwinkels betrachten. Also Gabel Einbaulänge normal 560mm bei 27,5" und 65° Lenkwinkel.

Für's LoveOrHate kann ich leider keine Geo-Tabelle finden... zum selber nachmalen hab ich grad keine Lust.
Den größten Auslgeich erzielt man wenn man die Gabel mit mehr Nachlauf kauft. Dann wird sich die Front um ca 25mm heben, das Tretlager um ca 1/3 davon...

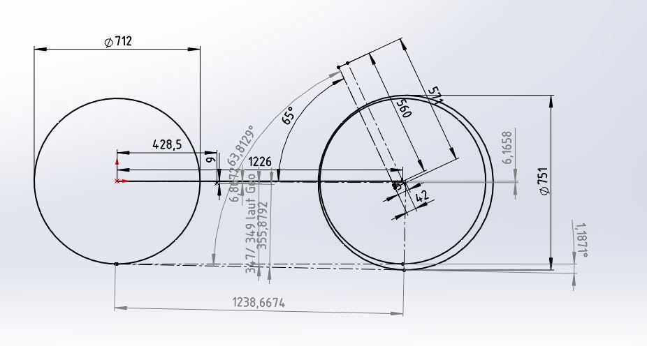
in der Zwischenzeit wurde so viel gestritten... aber ich hab Mittagspause und Klima im Büro.. also kühlen Kopf bewahren [@ all] und mal Geo gemalt mit maximalen Außendurchmessern eines Nobby Nic nach Schwalbe-Katalog :-D Hab das jetzt nur mal für L aufgemalt.
Der UNterschied sind schmale 1,2 Grad...

achso.. hab mir keine Mühe gegeben, bevor sich einer beschwert das sei unübersichtlich...
GeoLoveOrHate_L.JPG

edit: Für alle Haarspalter die das letzte Hundertstel suchen: In der langen Einstellung ändert sich der Winkel nochmal und wird unfassbare 0,012° steiler! YEAH... damit geht DIE Fanes dann auch berghoch wie eine Dampflok :-P
 
Zuletzt bearbeitet:
in der Zwischenzeit wurde so viel gestritten... aber ich hab Mittagspause und Klima im Büro.. also kühlen Kopf bewahren [@ all] und mal Geo gemalt mit maximalen Außendurchmessern eines Nobby Nic nach Schwalbe-Katalog :-D Hab das jetzt nur mal für L aufgemalt.
Der UNterschied sind schmale 1,2 Grad...

achso.. hab mir keine Mühe gegeben, bevor sich einer beschwert das sei unübersichtlich...Anhang anzeigen 889320

Keine Mühe gegeben? Das wäre für mich eine Tagesaufgabe:daumen:
 
Zurück